Konisk låsebusk-tannhjulgir en robust mekanisk interferenspassning mellom tannhjulnavet og akselen, noe som sikrer en sterk og pålitelig forbindelse for jevn og effektiv kraftoverføring. Denne konstruksjonen minimerer energitap og forbedrer systemets totale effektivitet.
Viktige funksjoner
- Mekanisk interferenspassning:Kobler tannhjulnavet og akselen sikkert sammen for overlegen pålitelighet og redusert glidning.
- Effektiv kraftoverføring:Jevn drift med redusert friksjon og støy, takket være presis tannforming.
- Lang levetid:Holdbare materialer og design forlenger levetiden til tannhjul og kjeder, og minimerer driftsstans og vedlikeholdskostnader.
- Materialalternativer:
- C45-stål:Balanserer styrke og økonomi for generelle bruksområder.
- Rustfritt stål:Utmerket korrosjonsbestandighet – ideelt for tøffe miljøer.
- Herdet stål:Varmebehandlet for økt slitestyrke og holdbarhet.
- Redusert vedlikehold:Færre utskiftninger nødvendig, noe som reduserer de totale driftskostnadene.
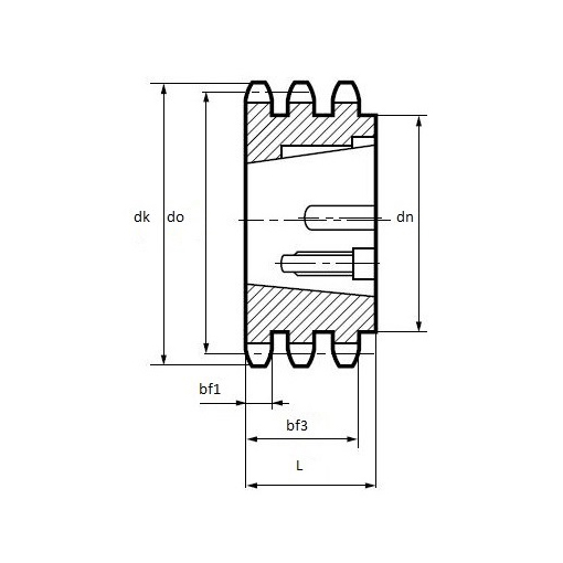
Tekniske spesifikasjoner
- ISO-nr.:16B-3 (1″ x 17,02 mm)
- Stigning:25,4 mm
- Innvendig bredde:17,02 mm
- Rullediameter:15,88 mm
- Tannbredde:79,6 mm
- Ba:2,5 mm (radiusbredde)
- Rx:26,0 mm (min. tannradius)
Fordeler
- Sterk og pålitelig tilkobling for høytytende systemer
- Redusert friksjon og støy for jevnere drift
- Forlenget levetid og reduserte vedlikeholdskostnader
- Allsidige materialalternativer som passer til ulike miljøer
Velg vårt koniske låsebussingskjedehjul for overlegen holdbarhet, effektiv kraftoverføring og lite vedlikehold i krevende applikasjoner.