Skarp toppkjede for bruk i fuktige og støvete omgivelser

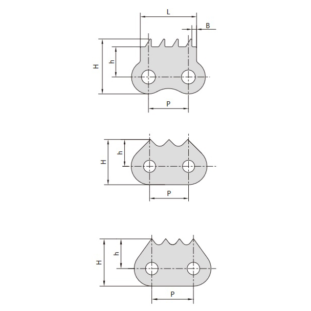
Skarp tannkjede er en type transmisjonskjede, og strukturen er preget av en serie tannkjedeplater og føringsplater som er montert vekselvis, og gjennom pinnen eller en kombinasjon av leddelte elementer som er koblet sammen for å danne, er den tilstøtende stigningen hengslede skjøter.

Beskrivelse

Kjedekronen, klassifisert etter styringstype, inkluderer ekstern styretannkjede, intern styretannkjede og dobbel intern styretannkjede. Denne kjedetransmisjonen utnytter den presise inngrepet mellom kjeden og tannhjulets tenner for å overføre kraft og bevegelse, noe som sikrer et nøyaktig gjennomsnittlig overføringsforhold.

Fordeler

  • Høy overføringskraft og sterk overbelastningskapasitet
  • Kompakt transmisjonsstørrelse for de samme arbeidsforholdene
  • Krever mindre strekkraft
  • Fungerer pålitelig i tøffe miljøer, inkludert høy temperatur, fuktighet, støv og forurensning

Ulemper

  • Høyere kostnad sammenlignet med andre kjedetyper
  • Utsatt for slitasje og forlengelse
  • Dårlig transmisjonsjevnhet, med ekstra dynamisk belastning, vibrasjon, støt og støy under drift
  • Ikke egnet for applikasjoner med raske reverseringer

Oppsummert er cusp-kjeder ideelle for applikasjoner som krever høy kraftoverføring i krevende miljøer, men er kanskje ikke egnet for oppgaver som krever hyppige raske reverseringer eller minimal støy og vibrasjon.

Tekniske parametere

skarp toppkjede teknisk bord

skarp toppkjede teknisk bord